Skip to main navigation Skip to main content Skip to page footer

Gewerbestandort Industriestraße Rheinbrohl

Kurzbeschreibung

Auf einem ca. 5.700 m² großen, umzäunten Gewerbegrundstück in der Industriestraße in Rheinbrohl stehen attraktive Büro-, Lager- und Freiflächen zur Vermietung.
Das Gelände ist ideal geeignet für Handwerksbetriebe, Dienstleister, Logistik- und Handelsunternehmen, die eine kombinierte Nutzung aus Büro, Lager und Außenfläche suchen.

Der Standort überzeugt durch seine gute Erreichbarkeit, die Nähe zu frequentierten Einzelhandelsstandorten sowie eine flexible Flächenaufteilung.

Lagebeschreibung

Das Objekt befindet sich in einem kleinen, gewachsenen Gewerbegebiet zwischen Bad Hönningen und Rheinbrohl.

Besondere Standortvorteile: 

  • Ca. 400 m Entfernung zu Lidl, dm und Edeka (neu)
  • Gute Erreichbarkeit für PKW und Transporter
  • Ruhiges, gewerblich geprägtes Umfeld
  • Kurze Wege für Mitarbeiter und Kunden

Grundstücksdaten

  • Gesamtgrundstücksfläche: ca. 5.700 m²
  • Befestigte und umzäunte Freifläche: ca. 4.000 m²
  • Zwei zweigeschossige Gewerbegebäude
  • Zufahrt für Lieferverkehr geeignet

Flächenangebot

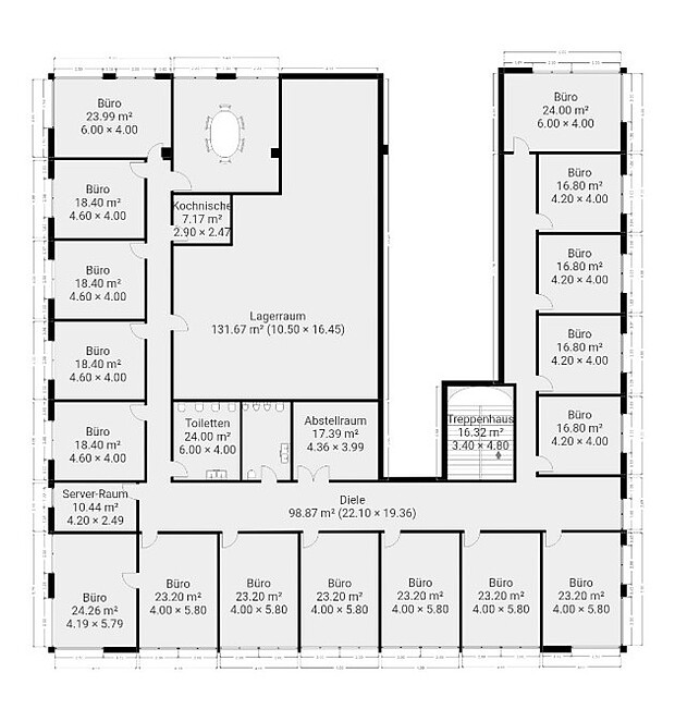
Büroflächen – Gebäude 1 (Obergeschoss)

  • Gesamtfläche: ca. 530 m²
  • Teilbar in Einheiten ab ca. 30–60 m²
  • Geeignet für:
    • Verwaltung
    • Planung
    • Vertrieb
    • Dienstleistungsbetriebe

Ausstattung (je nach Einheit):

  • Helle Räume
  • Gemeinschafts-WC
  • Teeküche
  • Flexible Grundrisse

Gewerbe-/Multifunktionsfläche

Gebäude 1 (Erdgeschoss)

  • Gesamtfläche: 
    ca. 730 m² mit ca. 30 m Schaufensterfront
  • Teilbar in 3-4 Einheiten
  • Nutzungsmöglichkeiten:
    • Verkauf / Fachhandel
    • Kompakter 
      Bau- und Heimwerkermarkt (aktuelle Nutzung)
    • Werkstatt
    • Lager mit Kundenverkehr
    • Showroom

Lagerflächen – Gebäude 2

  • Gesamtfläche: ca. 300 m²
  • Teilbar 
  • Geeignet für:
    • Handwerksbetriebe
    • Lager- und Logistik
    • Montage- und Serviceunternehmen

Mietkonditionen

  • Mietpreise: nach Flächentyp und Größe auf Anfrage
  • Nebenkosten: transparent und verursachungsgerecht
  • Mietlaufzeiten: flexibel (3–5 Jahre bevorzugt)
  • Erweiterungsoptionen bei Flächenverfügbarkeit möglich

Nutzungsmöglichkeiten

Das Objekt eignet sich besonders für:

  • Einzelhandel/Dienstleistungen
  • Handwerksbetriebe
  • Bau- und Ausbaugewerbe
  • Technische Dienstleister
  • Logistik- und Serviceunternehmen
  • Gewerbliche Dienstleister mit Lagerbedarf

Eine Kombination aus Büro-, Lager- und Freifläche ist ausdrücklich möglich und gewünscht.

Freiflächen

  • Verfügbare Fläche insg. ca. 4.000 m²: flexibel ab ca. 200 m²
  • Befestigt und umzäunt – auf Wunsch mit Halle
  • Nutzung z. B. für:
    • Fahrzeugabstellung
    • Materiallager
    • Container
    • Maschinen

Besonderheiten / Vorteile

  • zeitgemäße Ausstattung nach umfassender Renovierung
  • Flexible Flächenzuschnitte
  • Kombination verschiedener Nutzungsarten möglich
  • Umzäuntes Gelände
  • Gute regionale Sichtbarkeit
  • Attraktives Umfeld durch nahe Einzelhandelsstandorte
  • Sofortige oder kurzfristige Verfügbarkeit

Sonstiges

Die Flächen können einzeln oder kombiniert angemietet werden.
Individuelle Anpassungen und Ausbauwünsche sind nach Absprache möglich.

Kontakt

Objekt: Gewerbehof Rheinbrohl
Ansprechpartner: André Reifert
Telefon: 0155 / 69 105 131
E-Mail: info[at]reifert-immobilien.de